南宫28NG相信品牌力量

Welcome
    Language:

Vacuum Powder Conveyor ZKS-1\ZKS-2

A vacuum feeder is a vacuum conveying device designed for powdery materials, granular materials, and mixed powdery-granular materials. It can automatically convey various materials into the hoppers of equipment such as silos, packaging machines, injection molding machines, and crushers. It can also directly convey mixed materials into mixers (e.g., V-type mixers, two-dimensional mixers, three-dimensional mixers, etc.). This equipment reduces workers‘ labor intensity and solves problems such as dust overflow during feeding. It is an essential device for pharmaceutical factories and food factories to obtain GMP certification, promote clean production, and achieve standardized workshop operations.
Send Inquiry

Products Description

Brief Introduction

A vacuum feeder is a vacuum conveying device designed for powdery materials, granular materials, and mixed powdery-granular materials. It can automatically convey various materials into the hoppers of equipment such as silos, packaging machines, injection molding machines, and crushers. It can also directly convey mixed materials into mixers (e.g., V-type mixers, two-dimensional mixers, three-dimensional mixers, etc.). This equipment reduces workers' labor intensity and solves problems such as dust overflow during feeding. It is an essential device for pharmaceutical factories and food factories to obtain GMP certification, promote clean production, and achieve standardized workshop operations.


A vacuum feeder is composed of the following components: a vacuum pump (oil-free and water-free), a vacuum hopper, a filter (with multiple options including polyester film-coated filters, PE filters, 316L stainless steel filters, or titanium metal filters), a compressed air back-blowing device, a pneumatic discharge gate device, an automatic material level control device, a stainless steel suction nozzle, and a conveying hose. The entire system features rational design and exquisite manufacturing.


Features

1.     The conveying pipelines can be flexibly configured, thereby optimizing the rationality of the factory's production process flow.

2.     The conveying system is fully enclosed, minimizing dust emission and dispersion, which enables the achievement of good environmental hygiene.

3.     There are few moving parts, making maintenance and upkeep convenient, and the system is easy to automate.

4.     It features high efficiency in bulk material conveying, reducing packaging, loading/unloading, and transportation costs.

5.     It can prevent the conveyed materials from being damped, contaminated, or mixed with other impurities, thus ensuring the quality of conveyance.

6.     During the conveying process, multiple process operations can be realized simultaneously, such as mixing, crushing, classification, drying, cooling, dust removal, and other chemical reactions.

7.     It allows for long-distance operations where materials concentrated at multiple points are conveyed to a single location, or materials from one location are distributed to multiple points.

8.     The equipment has a simple structure, making manufacturing, processing, and installation relatively convenient; it also requires low control costs and has a short construction period.

9.     It has high conveying efficiency, and the equipment does not require return transportation.

10.   It is conducive to realizing bulk transportation, saving packaging materials and reducing transportation costs.

11.   It provides good labor hygiene conditions.

12.   During the conveying process, intermediate treatments such as sorting and drying can also be carried out independently.

13.   It can convey materials in a heated state and play a cooling role during the conveying process.



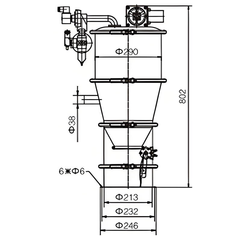
Parameters

Model

Motor

Power

Transport

Capacity

Suction

Port

Working

Pressure

Gas

Consumption

Size

ZKS-1

1.5KW

400kg/h

φ38mm

0.4-0.6Mpa

500NL/min

φ290*802mm

ZKS-2

2.2KW

600kg/h

φ39mm

0.4-0.6Mpa

500NL/min

φ290*802mm

ZKS-3

3KW

1200kg/h

φ51mm

0.4-0.6Mpa

500NL/min

φ290*952mm

ZKS-4

5.5KW

2500kg/h

φ51mm

0.4-0.6Mpa

500NL/min

φ420*1216mm

ZKS-6

5.5KW

3200kg/h

φ51mm

0.4-0.6Mpa

500NL/min

φ420*1216mm

ZKS-7

7.5KW

6000kg/h

φ63mm

0.4-0.6Mpa

500NL/min

φ420*1379mm

ZKS-10-6

7.5KW

6000kg/h

φ76mm

0.4-0.6Mpa

500NL/min

φ600*1907mm

ZKS-20-5

11KW

5000kg/h

φ102mm

0.4-0.6Mpa

500NL/min

φ800*2070mm

Note: For detailed parameters, please contact us. Equipment selection   can be made based on your requirements.






Leave Your Message


Leave a message

88爱彩 - 欢迎您 富彩网vip - 首页 名贯彩票-大发精准计划 大发彩神vIII - 欢迎您 美彩国际7709 79991cm德彩网 美彩国际 - 欢迎您 德彩网 - 欢迎您