南宫28NG相信品牌力量

Welcome
    Language:

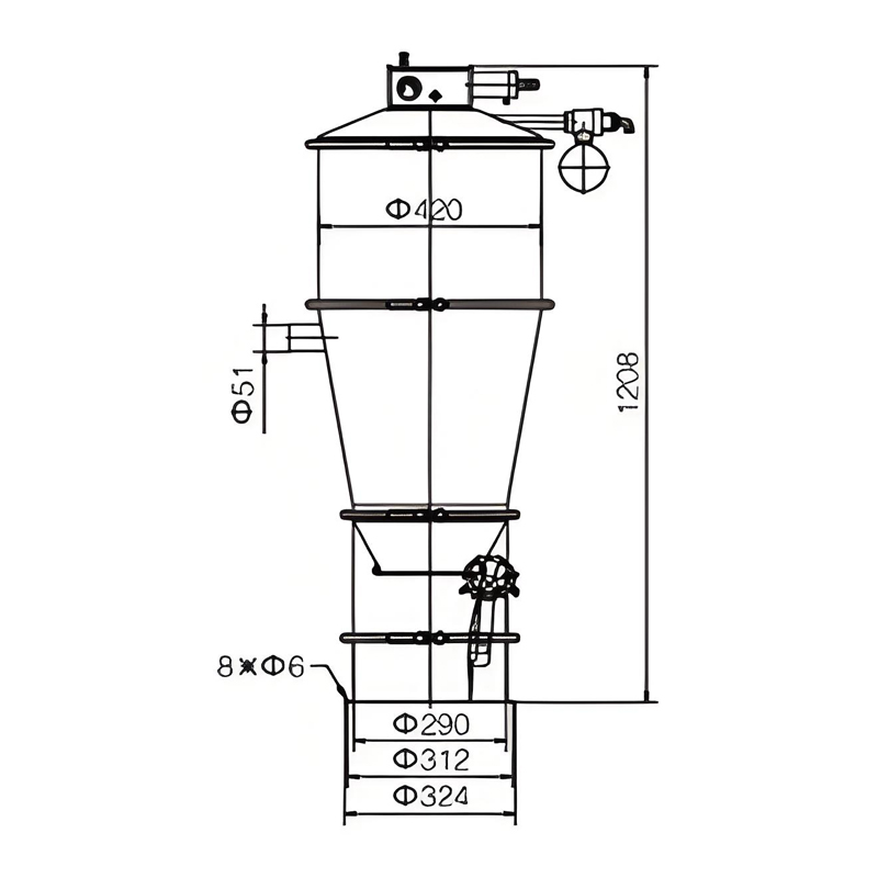
Vacuum Powder Conveyor QVC-4

When compressed air is supplied to the vacuum generator, the vacuum generator creates negative pressure to form a vacuum airflow. Materials are sucked into the suction nozzle, forming a solid-gas flow, which then reaches the hopper of the feeder through the suction pipe. The filter completely separates the materials from the air; when the hopper is full of materials, the controller automatically cuts off the air supply, the vacuum generator stops working, and at the same time, the hopper door opens automatically, allowing the materials to fall into the hopper of the equipment. Meanwhile, compressed air automatically cleans the filter through the pulse backblow valve. When the set time is reached or the level sensor sends a feeding signal, the feeder is automatically started.
Send Inquiry

Products Description

Brief Introduction

When compressed air is supplied to the vacuum generator, the vacuum generator creates negative pressure to form a vacuum airflow. Materials are sucked into the suction nozzle, forming a solid-gas flow, which then reaches the hopper of the feeder through the suction pipe. The filter completely separates the materials from the air; when the hopper is full of materials, the controller automatically cuts off the air supply, the vacuum generator stops working, and at the same time, the hopper door opens automatically, allowing the materials to fall into the hopper of the equipment. Meanwhile, compressed air automatically cleans the filter through the pulse backblow valve. When the set time is reached or the level sensor sends a feeding signal, the feeder is automatically started.


Features

It uses compressed air to generate high vacuum through a vacuum generator for material conveyance, eliminating the need for a mechanical vacuum pump. It boasts advantages such as a simple structure, compact size, maintenance-free operation, low noise, easy control, elimination of material static electricity, and compliance with GMP requirements.

The high vacuum produced by the vacuum generator prevents stratification of the conveyed materials, ensuring the uniformity of the mixed material components.

It is an automatic feeding equipment for machines including tablet presses, capsule filling machines, dry granulators, packaging machines, crushers, and vibrating screens.


Parameters

MODELBin VolumeTransport Working Gas Size
CapacityPressureConsumption
QVC-11.1L50-300kg/h0.4-0.6Mpa180NL/minφ140*491mm
QVC-26L100-700kg/h0.4-0.6Mpa360NL/minφ213*628mm
QVC-312L300-1500kg/h0.4-0.6Mpa720NL/minφ290*1047mm
QVC-442L600-3000kg/h0.4-0.6Mpa1440NL/minφ420*1361mm
QVC-560L900-6000kg/h0.4-0.6Mpa2880NL/minφ420*1413mm
Note: For detailed parameters,   please contact us. Equipment selection can be made based on your   requirements.


Leave Your Message


Leave a message

88爱彩 - 欢迎您 富彩网vip - 首页 名贯彩票-大发精准计划 大发彩神vIII - 欢迎您 美彩国际7709 79991cm德彩网 美彩国际 - 欢迎您 德彩网 - 欢迎您